быстрый расчет стоимости

Рассчитаем стоимость изготовления
и монтажа с доставкой под ключ

Укажите размеры проема для установки
в форме и мы с вами свяжемся.

Валерий Пешко

Консультант компании ООО "Винсера"

Описание

Распашные противопожарные ворота сдерживают распространение огня и продуктов горения, тем самым увеличивая время, необходимое для принятия жизненно важных решений.

Огнестойкость ворот обеспечивается за счет использования в их конструкции панелей с наполнителем из минеральной ваты.

На полотно ворот и в проем устанавливаются специальные профили и терморасширяющаяся лента, которая при возрастании температуры увеличивается в объеме и герметизирует проем. Используются в промышленных и складских помещениях, на парковках, в жилых и торговых комплексах.

Характеристики

Параметр Показатель
Высота проема, мм 2 000–4 500
Ширина проема, мм 2 000–4 500
Притолока, мм Ограничений нет (встроенный монтаж)
Пристенки, мм Ограничений нет (открывание до 90°); необходимы пристенки для открывания створки (открывание более 90°)

Зона применения

Распашные противопожарные ворота устанавливаются в складских, жилых и торговых комплексах
Распашные противопожарные ворота устанавливаются на паркингах и в промышленных помещениях

Цветовые решения

RAL 7004 (серый, стандартный)
RAL 8014 (коричневый)
RAL 9003 (белый)
RAL 5005 (синий)
RAL 6005 (зеленый)
RAL 3005 (бордовый)
RAL 9006 (серебристый)
RAL 1014 (бежевый)
RAL 3000 (красный)
RAL 7016 (антрацит)
Нестандартный цвет по карте RAL (наценка)

Комплектация

Щит ворот толщиной 80 мм из стальных сэндвич-панелей с минеральной ватой высокой плотности. Створки ворот поставляются в сборе.
Стальная рама поставляется в разобранном виде (два вертикальных профиля, один горизонтальный).
Разборная петля позволяет упростить монтаж ворот при отсутствии на проеме пристенков, а установленные опорные подшипники обеспечивают плавность хода створок ворот.
Ригельная задвижка.
Врезной замок с ответной частью.
Комплект крепежных элементов.

Дополнительная комплектация

Встроенная калитка обеспечивает доступ в помещение без необходимости открывания ворот и может служить эвакуационным выходом. Огнестойкое окно (размером 400 × 300 мм) в полотне ворот повышает удобство их эксплуатации, обеспечивая обзор пространства за воротами. Окно надежно препятствует выходу огня из помещения, где возник пожар, так как благодаря прочной металлической раме выдерживает высокую механическую нагрузку и не деформируется при значительных перепадах температур и интенсивном нагреве. Противопожарный люк (размер в свету 200 × 200 мм) применяется для тушения пожара без необходимости открывания ворот.
Ручка с противопожарными замками «антипаника» позволит быстро покинуть помещение при эвакуации
Доводчик предлагается в качестве дополнительной комплектации и может быть установлен на калитку в качестве устройства самозакрывания при пожаре.
Возможность установки ручки на одной или обеих створках позволит удобно открывать и закрывать ворота вручную.
Возможность автоматизации распашных противопожарных ворот электроприводами DoorHan для распашных ворот (см. раздел «Автоматика для ворот»).
Приемник внешний двухканальный с частотой 433 МГц (DHRE-2).
Фотоэлементы PHOTOCELL-N.
Сигнальная лампа со встроенной антенной LAMP.
Пульт 4-канальный с частотой 433 МГц (TRANSMITTER 4).
Ключ-кнопка для управления.
Модуль для управления с мобильного телефона.

Конструкция

1. Полотно ворот
2. Рама ворот
3. Встроенная калитка
4. Замок с нажимной ручкой
5. Ручка
6. Люк противопожарный
7. Задвижка ригельная

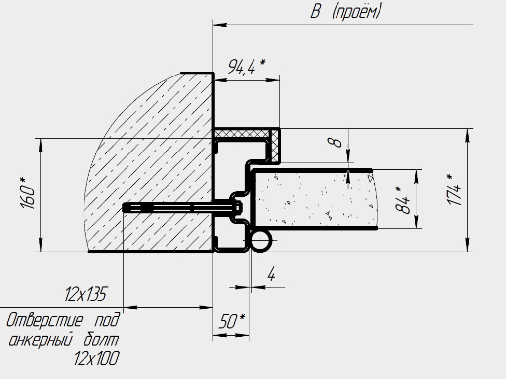
Подготовка объекта

Замер каждой величины необходимо производить как минимум по трем точкам (в крайних положениях и по центру).

H – высота проема (расстояние от пола до верха проема).

B – ширина проема (расстояние от левого края до правого края проема).

h1 – притолока (расстояние от верха проема до препятствия).

b1/b2 – левое/правое боковое расстояние (расстояние от соответствующего края проема до препятствия).

Требования к строительному объекту

При замере H и B (высоты и ширины проема) за итоговый размер принимается наименьшая величина.

Способы монтажа

Встроенный монтаж

Стандартные конструктивные решения

Панели противопожарных распашных ворот состоят из двух стальных листов и минераловатной прослойки между ними, с боковой стороны закладывается гипсокартон с усиливающими профилями. Панели обладают повышенными жароустойчивыми и огнеупорными свойствами. Также панели устойчивы к широкому спектру химикатов, масел и растворителей, а полимерные покрытия внешних поверхностей делают их невосприимчивыми к коррозионному воздействию окружающей среды.
Конструкция панели: 1) гипсокартон; 2) минераловатная прослойка плотностью 130 кг/м³; 3) стальной лист толщиной 0,5 мм; 4) усиливающие профили.

Противопожарные распашные ворота без калитки.
Могут быть выполнены симметричными (с одинаковой шириной створок) и несимметричными (с разной шириной створок), с открыванием внутрь или наружу помещения. Так как они имеют две створки, для термоизоляции и предотвращения проникновения дыма в местах их стыка применяется специальная система уплотнителей по периметру створок ворот.

Противопожарные распашные ворота с калиткой.
Могут быть выполнены симметричными (с одинаковой шириной створок) и несимметричными (с разной шириной створок), с открыванием внутрь или наружу помещения. Так как они имеют две створки, для термоизоляции и предотвращения проникновения дыма в местах их стыка применяется специальная система уплотнителей по периметру створок ворот. Размер калитки в свету 900 × 2050 мм.

Открывание створок наружу помещения — левая створка активная, правая пассивная.

Открывание створок наружу помещения — левая створка пассивная, правая активная.

Открывание створок внутрь помещения — левая створка активная, правая пассивная.

Открывание створок внутрь помещения — левая створка пассивная, правая активная.

Технические характеристики

Параметр Значение Примечание
Ворота распашные EI60
Предел огнестойкости, мин Не менее 60
Приведенное сопротивление теплопередаче, м² *°С/Вт При максимальных размерах
Звукоизоляция, дБ До 20
Усилие ручного открывания и закрывания, Н, не более Не более150
Вес ворот в сборе, кг 230 При минимальных размерах
Вес ворот в сборе, кг 860 При максимальных размерах
Угол открытия створок, град 170 (без привода)
Угол открытия створок, град 90–120 (с приводом SWING)
Угол открытия створок, град 90 (с приводом ARM)
Ворота распашные EI90
Предел огнестойкости, мин Не менее 90
Приведенное сопротивление теплопередаче, м² *°С/Вт Не менее 0,4–0,8
Звукоизоляция, дБ До 20
Усилие ручного открывания и закрывания, Н, не более Не более150
Вес ворот в сборе, кг 230 При минимальных размерах
Вес ворот в сборе, кг 860 При максимальных размерах
Угол открытия створок, град 170 (без привода)
Угол открытия створок, град 90–120 (с приводом SWING)
Угол открытия створок, град 90 (с приводом ARM)

Условия эксплуатации продукции

1. Распашные противопожарные ворота не предназначены для интенсивной эксплуатации. Рекомендуется их использование при проверке пожарной сигнализации, сервисном обслуживании и по прямому назначению.
2. Запрещается использовать ворота без упоров, фиксирующих створки ворот в открытом положении.
3. Распашные ворота должны работать плавно без заклиниваний и рывков.
4. Ручное открывание и закрывание ворот осуществляется только при помощи ручки.
5. Замок створок полотна имеет двустороннюю личинку для запирания на ключ.
6. В случае появления при работе распашных ворот посторонних звуков (скрип, скрежет) необходимо приостановить использование и обратиться к квалифицированному персоналу.
7. При открывании и закрывании ворот вручную не прилагайте к ним больших усилий. Запрещается открывать створки ворот резкими толчками.
8. Во избежание несчастного случая следите, чтобы в момент открывания распашных ворот люди и животные не находились в зоне действия ворот.
9. Следите, чтобы в момент работы распашных ворот в проеме не было посторонних предметов.
10. В случае установки дополнительного оборудования, не предусмотренного для использования совместно с распашными воротами, необходимо обращаться в техническую службу предприятия-изготовителя для консультации.
11. Своевременно производите чистку петель ворот во избежание их заклинивания.
12. Не допускается при работе автоматики удерживать полотно распашных ворот. Это может привести к травме или поломке конструкции.
13. Для обеспечения надежной и бесперебойной работы ворот рекомендуется регулярно (не реже одного раза в полугодие) проводить их технический осмотр и обслуживание.
14. В случае открывания/закрывания ворот с помощью привода, механический замок или задвижка должны быть открыты.
15. Не допускайте детей к устройствам управления автоматическими воротами (кнопкам, пультам).
16. Не подвергайте ворота ударам и не препятствуйте их свободному открыванию и закрыванию.
17. Внимательно ознакомьтесь с инструкцией по эксплуатации автоматического привода для надежной и долговечной работы.
18. В случае использования распашных ворот или их комплектующих не по назначению производитель не несет ответственности за их целостность и надежность.

Гарантийные обязательства

Покупателю предоставляется гарантия работоспособности распашных противопожарных ворот производства концерна DoorHan на срок 1 год с момента приобретения их заказчиком.

Дополнительное описание

Концерн DoorHan производит погрузку ворот на грузовой транспорт с помощью автопогрузчика с вилочным захватом не менее 3 м или подъемного крана. Покупатель или установщик должен предоставить такое же оборудование для перемещения упакованных ворот. Вилка должна заходить под деревянный поддон, предоставляемый изготовителем, и выступать с другой стороны. При использовании крана или другого средства подъема рекомендуется использовать стропы соответствующей грузоподъемности.
Рекомендуется хранить створки и другую комплектацию ворот в заводской упаковке в горизонтальном положении на ровной поверхности не более 6 месяцев с момента производства в складах закрытого типа или под навесом. Комплектация ворот должна быть защищены от прямых солнечных лучей, атмосферных осадков и загрязнений.

Остались вопросы по распашным противопожарным воротам?

Валерий Пешко

Консультант компании ООО "Винсера"

Оставить заявку Или позвоните +375 29 386 55 55

Примеры использования распашных противопожарных ворот

акция до конца месяца

Скдидка на все ворота
20% до конца месяца

Спеши сделать заказ до окончания акции
    дней              часов               минут          секунд
Укажите ваш телефон в форме и мы зафиксируем за вами скидку

Возможно Вас также заинтересует

Доставка
и оплата

Мы предлагаем удобные способы доставки и оплаты: закажите все необходимое для своего объекта сейчас, а оплатите потом

Подробнее

Узнать цену

Оставьте Ваш телефон, менеджер узнает все необходимые параметры и озвучит точную цену

Оставить заявку

консультация

Остались
вопросы
по продукции?

Если у вас остались вопросы по продукции,
заполните форму заявки и мы с вами свяжемся.

Валерий Пешко

Консультант компании ООО "Винсера"